rover220 wrote:ive got a couple i think
How much are they?
woodygb if I tried to make that I would probably burn the house down.
rover220 wrote:ive got a couple i think


GlennGlenn wrote:Woody
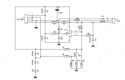
Do you know of anyone ever attempting to use the schematic of a DWIZ-ADAPT teardown earlier in this subject?.
I have contacted the user, but they have not logged in for some time.
Thanks
Glenn
, swapped XLR pins 2/3
, triple checked layout
GlennGlenn wrote:Woody
Thanks for the capacitor advice.
My kit will not connect to the controller. Program continuously looks for controller on COM 2, (changed from selected COM 10 as Wizard only likes COMs 1 to 9).
Everything seems to be okay up to the Anubis circuit.
Swapped TX/RX, swapped XLR pins 2/3
, triple checked layout
![]()
I did not have 10uF non polarized caps, I have tried 2X tantalum caps and 2 electrolytic caps, neither made any difference.
I couldn't find 9v2 zeners, have used 9v1, should they work?. Cathode sits at 9.4V and warms up.
All other components are identical to yours as is my vero layout, except for:
Your pic of the completed boxed pcb shows, i think, 2 leds and limiting resistors on the data lines, can you clarify?.
Any advice would be appreciated.
Glenn


Return to Everything Powerchair
Users browsing this forum: DennisinTexas and 320 guests