BM ..What is your bench programming setup?
Joystick plus the controller to be programmed..or...
woodygb wrote:The ESP module appears to sit between the joystick and the controller and comms go thru it ..
It also appears that the ESP is ultimately in control of the chair.
woodygb wrote:Does your chair inhibit ok when being charged? ...





...Try the Curtis OEM .Now if I could only find the Pride/Quantum OEM Software to go along with it.
Twinpanther wrote:When I open 1314 PCPS and hit F2 to "connect" I get the error in the first img.
When I click OK I get a small connecting box then almost immediately the error box in the second img.
[/attachment]
MT-API files1314 PCPS works in CAN-bus only with devices company I+ME ACTIA GmbH.(Correct me if i'm wrong).

woodygb wrote:The MT-API download from here ... http://www.sontheim-industrie-elektroni ... enter.html
actually lists some curtis dll files ..if you un zip the MTI cab files.
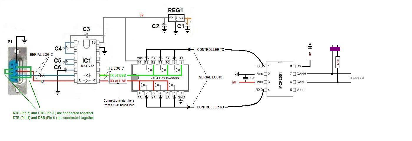
woodygb wrote:John in Canada recently ordered one of these...
USB-CAN USB to CAN Bus Converter Adapter + USB Cable Support 64-bit Win7
via Ebay ...hopefully that will prove to be a cheaper alternative to the high priced Curtis version.
Return to Everything Powerchair
Users browsing this forum: No registered users and 169 guests